Performa & Pemrosesan Inti
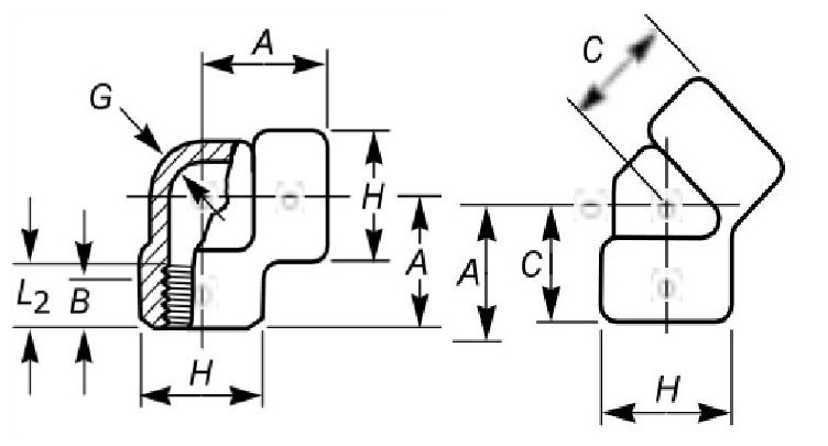
Dibentuk dengan penempaan dan pengepresan panas, tidak ada cacat pengecoran;tsiku pipa berulirdiselesaikan dengan proses pembubutan dan penggulungan yang presisi untuk memastikan profil gigi yang lengkap. Cocok dengan alat kelengkapan pipa standar untuk membentuk struktur segel logam-ke-logam, kapasitas menahan tekanan maksimum struktur segel adalah 6000psi. Produk ini memiliki desain struktural yang ringkas, cocok untuk tata letak saluran pipa di ruang-kondisi kerja terbatas; tidak diperlukan pengelasan dan operasi kerja panas lainnya selama pemasangan, berlaku untuk lingkungan berbahaya yang mudah terbakar dan meledak. Permukaannya diberi proses pasivasi atau pelapisan seng, yang dapat lulus uji semprotan garam selama lebih dari 72 jam dan beradaptasi untuk penggunaan jangka panjang dalam berbagai kondisi pengoperasian industri.
Parameter Teknis
|
Kategori Parameter |
Indeks Tertentu |
|
Diameter Nominal |
DN15, DN20, DN25, DN32, DN40, DN50 (sesuai dengan 1/2", 3/4", 1", 1-1/4", 1-1/2", 2") |
|
Tingkat Tekanan Terukur |
3000LB |
|
Bahan yang Berlaku |
Baja karbon 20# / baja tahan karat 304 (06Cr19Ni10) / baja tahan karat 316 (0Cr17Ni12Mo2) |
|
Standar Eksekutif |
GB/T 14383, ASME B16.11 |
|
Jenis Benang Default |
NPT (BSPT untuk penyesuaian) |
|
Kisaran Suhu Pengoperasian |
20 # baja karbon: -20 derajat ~425 derajat; Baja tahan karat 304/316: -196 derajat ~800 derajat |
ASME B16.11
Siku Berulir

| Diameter Nominal | Perkiraan berat badan(kg) | ||||
|
Tipe Siku |
hari |
NPC |
SCH80/2000 |
SCH160/3000 |
XXS/6000 |
|
90 derajat |
6 |
1/8" |
0.08 |
0.1 |
0.18 |
|
90 derajat |
8 |
1/4" |
0.08 |
0.15 |
0.3 |
|
90 derajat |
10 |
3/8" |
0.13 |
0.3 |
0.45 |
|
90 derajat |
15 |
1/2" |
0.22 |
0.45 |
0.72 |
|
90 derajat |
20 |
3/4" |
0.32 |
0.7 |
1.2 |
|
90 derajat |
25 |
1" |
0.5 |
1.21 |
1.65 |
|
90 derajat |
32 |
1-1/4" |
0.8 |
1.47 |
2.7 |
|
90 derajat |
40 |
1-1/2" |
0.93 |
2.6 |
3.3 |
|
90 derajat |
50 |
2" |
1.6 |
3.05 |
6.05 |
|
90 derajat |
65 |
2-1/2" |
2.95 |
5.8 |
9.88 |
|
90 derajat |
80 |
3" |
5.6 |
8.85 |
16.4 |
|
90 derajat |
100 |
4" |
10.5 |
13.5 |
23.5 |
|
45 derajat |
6 |
1/8" |
0.08 |
0.17 |
- |
|
45 derajat |
8 |
1/4" |
0.08 |
0.17 |
- |
|
45 derajat |
10 |
3/8" |
0.11 |
0.28 |
- |
|
45 derajat |
15 |
1/2" |
0.23 |
0.35 |
0.85 |
|
45 derajat |
20 |
3/4" |
0.29 |
0.59 |
1.4 |
|
45 derajat |
25 |
1" |
0.43 |
0.96 |
1.9 |
|
45 derajat |
32 |
1-1/4" |
0.67 |
1.15 |
2.65 |
|
45 derajat |
40 |
1-1/2" |
0.82 |
2.02 |
3.9 |
|
45 derajat |
50 |
2" |
1.32 |
2.3 |
6.3 |
|
45 derajat |
65 |
2-1/2" |
3.3 |
4.2 |
- |
|
45 derajat |
80 |
3" |
5.4 |
6.5 |
- |
|
45 derajat |
100 |
4" |
9 |
- |
- |
Karakteristik Kinerja Produk
Instalasi yang mudah
Siku pipa berulirs mengadopsi mode koneksi berulir, tidak diperlukan pengelasan, dapat dikencangkan dan diperbaiki secara manual, berlaku untuk area operasi pemeliharaan dan area terlarang pekerjaan panas dengan persyaratan pengendalian kebakaran yang ketat.
Kinerja penyegelan yang baik
Ulir pipa berbentuk kerucut memiliki-kinerja pengencangan sendiri, tingkat kesesuaian antara permukaan ulir meningkat seiring dengan peningkatan tekanan internal pipa, yang dapat mengurangi risiko kebocoran sedang.
Performa material yang stabil
Siku pipa berulirsmemiliki sifat kimia yang stabil dan ketahanan korosi tertentu, serta dapat digunakan dalam waktu lama dalam kondisi pengoperasian normal tanpa perawatan yang sering.
Ruang Lingkup Aplikasi
Industri petrokimia
Pipa pengangkut minyak pelumas, pipa proses bertekanan sedang dan rendah, pipa sistem pasokan air kebakaran pabrik.
Industri pembuatan kapal
Sistem pembuangan air lambung kapal, sistem sirkulasi air pemberat, pipa pasokan air domestik kapal.
Konstruksi dan teknik kota
Riser vertikal untuk suplai air dan drainase-gedung bertingkat, pipa cabang untuk air dingin AC sentral, pipa gas perumahan perkotaan.




Tag populer: siku pipa berulir, produsen, pemasok, pabrik siku pipa berulir Cina
